
产品描述:
铒玻璃激光器(Er Glass Laser),是以铒为激活离子,以镱为敏化剂的激光玻璃作工作物质的激光器;其输出波长1535nm。本产品定位为自主、可控、国产化核心器件,具有可靠性高、全温度范围工作、测量距离远等优点。
技术指标:
规格型号LM-1535-PXXX-A4 | |||||
参数 | 典型值 | 单位 | |||
光学 | 波长 | 1535 | nm | ||
脉冲宽度(FWHM) | 3-6 | ns | |||
脉冲能量 | 200 | 300 | 400 | uJ | |
峰值功率 | 50 | 65 | 80 | kw | |
能量稳定性 | ≤5 | % | |||
光束发散角 | ≤0.5 | mrad | |||
电 | 工作电压 | 2 | V | ||
工作电流 | 12 | 14 | 15 | A | |
工作频率 | 1-10 | Hz | |||
脉宽 | 1.0-2.5 | ms | |||
环境 | 工作温度 | -40-65 | ℃ | ||
储存温度 | -50-75 | ℃ | |||
寿命 | 1000万 | 次 | |||
重量 | <20 | g | |||
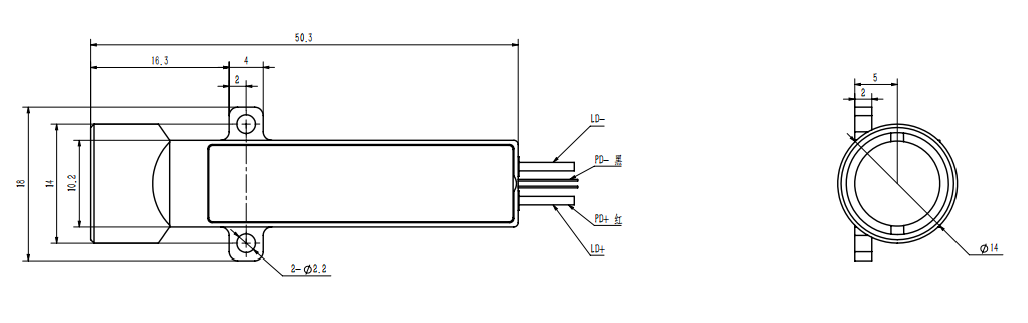
尺寸图:

注意事项:
1.运输、储存、使用时必须采取防静电措施。
2.激光二极管引脚之间需连接短路线保护。
3.使用恒流电源,工作时避免波峰和浪涌。
4.激光器工作温度、频率、脉宽、电流严禁超过规格书上注明范围。
5.激光器工作时需保证安装可靠。
6.激光器窗口保证干净无污染,以免造成出光异常。